供應SRLF-110*20P雙筒回油管路過濾器
來源:供應SRLF-110*20P雙筒回油管路過濾器 瀏覽次數:192次 發布時間:2015-08-18 09:26:35

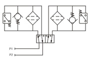
| SRLF-110*20P雙筒回油管路過濾器是由兩只單筒過濾器及二位六通換向閥組成,結構簡單,使用方便,并帶有旁通閥及濾芯污染堵塞發訊器。以達到保證系統安全的目的。 在工作過程中,單筒過濾器濾芯堵塞到一定程度需清洗或更換濾芯時,要停止主機工作來更換濾芯,這樣不僅浪費時間更不能滿足主機連續工作需要,雙筒過濾器有效地解決了單筒過慮器這方面的缺陷,在不停機的情況下可清洗或更換濾芯來保證主機正常連續工作。 它的工作特點是當一只過濾器濾芯堵塞而需要換時,不必停止主機工作,只要找開壓力平衡閥并轉動換向閥,另一只過濾器即可參加工作,然后更換已堵塞的濾芯。 本過濾器可廣泛應用于重型機械,礦山機械,冶金機械等液壓系統。 |
|
|||||||||||||||||||||||||||||||||||||||||||||||||||||||||||||||||||||
![]() |
||||||||||||||||||||||||||||||||||||||||||||||||||||||||||||||||||||||
|
||||||||||||||||||||||||||||||||||||||||||||||||||||||||||||||||||||||
技術參數 Technical Data
|
||||||||||||||||||||||||||||||||||||||||||||||||||||||||||||||||||||||
聯系人:王經理
聯系方式:0373-2678253 15090471838
Q Q: 2206397446
傳真:0373-3809898
郵箱:wcc@huayufilter.com
地址:新鄉市牧野區小里工業園71號
(責任編輯:供應SRLF-110*20P雙筒回油管路過濾器 )
- News
- 供應P173789濾芯濾清器2015-08-18 09:26:35
- 供應CR-125濾芯2015-08-18 09:26:35
- P163567液壓旋裝濾濾芯2015-08-18 09:26:35
- 現貨供應P164375濾芯2015-08-18 09:26:35
- Products
- 供應濾芯P1635422015-08-18 09:26:35
- UE319AP20H/CN1301...2015-08-18 09:26:35
- GGL-2水樣過濾器2015-08-18 09:26:35
- SLAF-8HC/A杭州山立精密...2015-08-18 09:26:35






豫公網安備 41071102000494號